Email
CN
Home
About Us
Company Profile
History
Certifications
Partner
Products
Material Catalog
Product Catalog
Product Knowledge
Advantages
Production Advantages
R&D Advantages
Quality Advantages
Applications
Vehicle and Charging Station
Photovoltaic New Energy
Data Centers
Consumer Electronics
Contact Us
Home
About us
Company Profile
History
Certifications
Partner
Products
Material Catalog
Product Catalog
Product Knowledge
Advantages
Production Advantages
R&D Advantages
Quality Advantages
Applications
Vehicle and Charging Station
Photovoltaic New Energy
Data Centers
Consumer Electronics
Contact Us
中文版
Email
Search
Products
| Products | Products Details
Material Catalog
Product Catalog
Product Knowledge
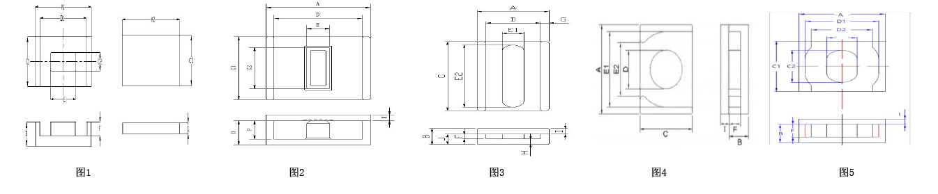
EDI-ERI Series
Go back
Need Help?
86-573-87682977
About us
Company Profile
History
Certifications
Partner
Products
Material Catalog
Product Catalog
Product Knowledge
Advantages
Production Advantages
R&D Advantages
Quality Advantages
Applications
Vehicle and Charging Station
Photovoltaic New Energy
Data Centers
Consumer Electronics
Copyright © 2025
Haining Lianfeng Magnet Industry Co.,Ltd
All Rights Reserved. 备案号:浙ICP备17024503号